Перейти к содержимому

AC01-T3-5R5G-B Преобразователь частоты AC01 5.5 кВт 3x380

Есть в наличии
sku: AC01-T3-5R5G-B
AC01-T3-5R5G-B Преобразователь частоты AC01 5.5 кВт 3x380
Клікніть для збільшення
Veichi
Есть в наличии
11 214 грн
Бренд: Veichi
Серия: AC01
Питание на входе: 3x380 В
Ток номинальный: 13 A
Степень защиты по IP: 20
Гибридное питание (AC/DC-Солнце): Ні
Удалённое управление: Ні

delivery-iconСпособы доставки и оплата

  • Nova Poshta OfficeНовой Почтой до отделения или курьером по адресу
  • OplataБезналичная оплата

delivery-iconСервис и Гарантия

  • Гарантия 24 месяца
  • Возврат товара в течение 14 дней
  • Официальный Сервисный центр

delivery-iconТехническая поддержка

  • Помощь в настройке и подборе
  • Зацікавив товар?
    Наш продавець проконсультує Вас.
  • Характеристики
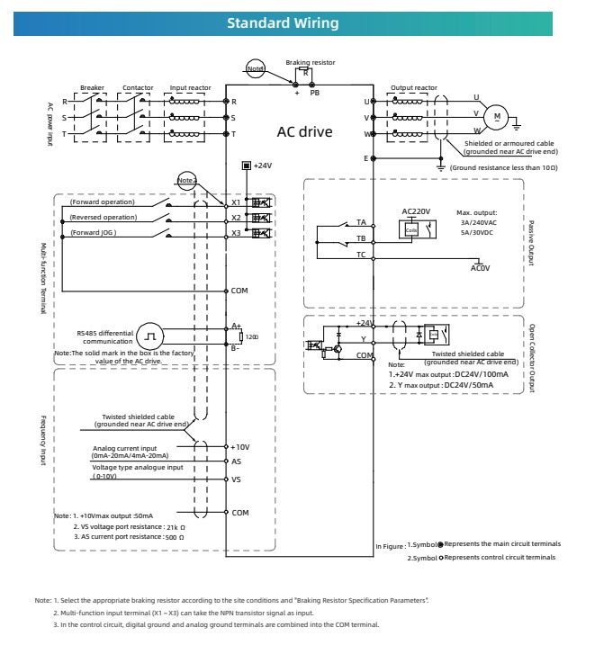
  • Документация
  • Отзывы (3)
Бренд Veichi
Серия AC01
SKU AC01-T3-5R5G-B
Основная Мощность Частотные преобразователи 5.5 кВт
Питание на входе 3x380 В
Число фаз/напряжение на выходе 3x380 В
Mmax (1 min) 120 %
Ток номинальный 13 A
Максимальная выходная частота 500 Гц
Степень защиты по IP IP20
ЕМС фильтр +
Тормозной модуль Есть
Встроенный ПЛК Нет
Встроенный регулятор ПИД
Скалярный режим управления +
Векторный режим управления без энкодера +
Линейный закон управления U/f +
Квадратичный закон управления U/f2 +
Сьемная панель Несъемная
Максимальное число фиксированных скоростей 16
Video Thumbnail
Video Thumbnail
Video Thumbnail
Отзывы о товаре
3
Олег (електрик)
30.01.2025

ставив цей частотник на витяжну вентиляцію у цеху. габарити невеликі, в шафу норм вліз. клеми зручні для підключення. по інструкції розібрався, хоча трохи з параметрами посидів. движок тепер працює тихіше, без вібрації. норм вибір, як на мене)

Сергій Кравченко
24.12.2024

Для модернізації нашої насосної станції вибрав цю модель Veichi. Важливо було легко інтегрувати в існуючий контролер. Через Modbus RTU підключився без проблем. Всі параметри налаштували точно, по PID тримає тиск стабільно. Хороша схемотехніка, видно, що не економили на компонентах. Підтримка від магазину теж була оперативна.

Іван М.
04.09.2024

Взяли цей частотник Veichi для нашого конвеєра. Встановили швидко, сам розібрався з підключенням. Тепер працює значно плавніше, немає ривків. Помітили економію світла. Дуже задоволені вибором, як для першого разу – супер.

ПОДОБНЫЕ AC01-T3-5R5G-B ТОВАРЫ

Характеристики
БрендDanfossDelta ElectronicsINVTMitsubishi ElectricSchneider Electric
Серияic2VFD-ELGD10FR-DAltivar 310
Питание на входе, В3x3803x3803x3803x3803x380
Ток номинальный, A2.22.52.52.22.5
Степень защиты по IP2020202020
Гибридное питание (AC/DC-Солнце)00000
Удалённое управление00000
На данной странице информация о Преобразователь частоты AC01 5.5 кВт 3x380 ( AC01-T3-5R5G-B ) с подробным описанием технических характеристик . Вы можете скачать документацию для AC01-T3-5R5G-B, серии AC01 от производителя Veichi . Купить AC01T35R5GB и обратится за технической консультацией. Наши Инженеры помогут Вам выбрать и купить AC01-T3-5R5G-B только высокого качества по доступным ценам. Гарантия. AC01-T3-5R5G-B